EUROPOLES
Použití
- sloupy a ráhna pro přibližovací světelnou soustavu letiště
- ukazatel směru větru
Soubory ke stažení
pdf
Katalogový list
(2.97 MB)
pdf
Certifikát ÚCL
(852 KB)
Splňuje požadavky
- vyhovuje požadavkům na lámavost podle ICAO Annex 14 a Aerodrome Design Manual, part 6
Popis/Vlastnosti
- maximální pasivní bezpečnost, v případě kolize se sloupy snadno zlomí, aniž by došlo k jiskření
- sloupy jsou vyrobeny ze sklolaminátu (GRP) a splňují požadavky předpisů na lámavost
- připojovací kabely jsou vedeny vnitřkem sloupů
- sloupy nezpůsobují odrazy ani rušení radarových nebo rádiových signálů
- materiál sloupu je odolný proti korozi způsobené chemickými látkami z ovzduší a proti agresivním plynům a kapalinám
- levná doprava a montáž díky jejich nízké hmotnosti
- nízká hořlavost
- rychlá montáž
- méně námrazy než na běžných materiálech
- vysoká dynamická a mechanická pevnost
- různé vybavení podle požadavků zákazníka
- hladký a homogenní povrch
Sloupy pro jedno návěstidlo
1 - trubka průměr 60 mm
2 - závit 2" NPSMSloupy do 2,0 m pro osazení jednoho návěstidla, válcový průřez, průměr sloupu 60 mm:
- dodávají se trubkou průměr 60 mm nebo se závitem 2" NPSM
- s pevnou nebo sklopnou základovou deskou o rozměrech 270×270 mm; volitelně konstrukce sloupu, který je možno na základovou desku přišroubovat
- jednobarevný nebo dvoubarevný nátěr (RAL podle požadavků zákazníka)
- osazení pomocí kotev
Sloupy od 2,5 m do 6,0 m pro osazení jednoho návěstidla, válcový průřez, průměr sloupu 108 mm:
- dodávají se trubkou průměr 60 mm nebo se závitem 2" NPSM
- konstrukce s pevnou nebo sklopnou základnou o rozměrech 270×270 mm
- jednobarevný nebo dvoubarevný nátěr (RAL podle požadavků zákazníka)
- osazení pomocí kotev
Sloupy od 6,5 m do 15,0 m pro osazení jednoho návěstidla:
- dodávají se trubkou průměr 60 mm nebo se závitem 2" NPSM
- konstrukce se sklopnou základnou o rozměrech 720×500 mm
- jednobarevný nebo dvoubarevný nátěr (RAL podle požadavků zákazníka)
- osazení pomocí kotev
Sloupy pro ráhna
- do 6,0 m válcový průřez, průměr nahoře i v základně 168 mm
- 6,0 m až 16,0 m kónická/válcovitá konstrukce (z důvodu přizpůsobení, je horní metr sloupu vždy válcového průřezu)
- s tuhou nebo sklopnou základovou deskou
- sloupy do 3,0 m: rozměry základové desky 400×400 mm (sklopné rukou)
- sloupy do 16,0 m: rozměry základové desky 720×500 mm (sklopné vřetenovým zvedacím zařízením)
- jednobarevný nebo dvoubarevný nátěr (RAL podle požadavků zákazníka)
- osazení pomocí kotev
Sloupy - objednávací kódy
| Typ |
délka sloupu [m] |
obj. kód |
| sloup pro 1 návěstidlo, závit 2" NPSM, nesklopný |
od 0,5 do 2,0 |
950-005.L |
| sloup pro 1 návěstidlo, závit 2" NPSM, základna 270×270 mm, sklopný |
od 2,5 do 6,0 |
950-006.L |
| sloup pro 1 návěstidlo, závit 2" NPSM, základna 720×500 mm, sklopný |
od 6,5 do 15,0 |
950-007.L |
| sloup pro ráhno, základna 400×400 mm, nesklopný |
od 1,0 do 1,5 |
950-008.L |
| sloup pro ráhno, základna 400×400 mm, sklopný |
od 2,0 do 3,0 |
950-009.L |
| sloup pro ráhno, základna 720×500 mm sklopný vřetenovým mech. |
od 3,5 do 6,0 |
950-010.L |
| sloup pro ráhno, základna 720×500 mm sklopný vřetenovým mech. |
od 6,5 do 15,0 |
950-011.L |
L=délka stožáru
Ráhna
- ráhna jsou válcového průřezu o průměru 134 mm ve standardních délkách do 6,20 m (volitelně delší)
- jednotlivé spojovací prvky se vyrábějí podle typu návěstidel a jejich vzdálenosti
Ráhna se závitem 2" NPSM - objednací kódy
| Typ |
kód výrobce |
obj. kód |
| ráhno l=2,8 m pro 2 návěstidla, rozteč 1,3 m |
№ 48 |
950-012 |
| ráhno l=2,8 m pro 3 návěstidla rozteč 1,3 m |
№ 45 |
950-013 |
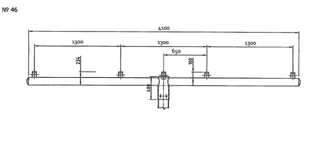
| ráhno l=4,1 m pro 4 návěstidla rozteč 1,3 m |
№ 44 |
950-014 |
| ráhno l=4,1 m pro 4+1 návěstidlo rozteč 1,3 m |
№ 46 |
950-015 |
| ráhno l=3,2 m pro 2 návěstidla rozteč 1,5 m |
№ 47 |
950-016 |
| ráhno l=3,2 m pro 3 návěstidla rozteč 1,5 m |
№ 22 |
950-017 |
| ráhno l=4,7 m pro 4 návěstidla rozteč 1,5 m |
№ 41 |
950-018 |
| ráhno l=4,7 m pro 4+1 návěstidlo rozteč 1,5 m |
№ 43 |
950-019 |
№ 48 № 45 № 44 № 46 № 47 № 22 № 41 № 43 |
Ráhna s trubkou průměr 60 mm
| Typ |
kód výrobce |
obj. kód |
| ráhno l=2,9 m pro 2 návěstidla |
№ 01 |
|
| ráhno l=4,2 m pro 4+1 návěstidlo |
№ 02 |
|
| ráhno l=5,6 m pro 2+1 návěstidlo |
№ 03 |
|
| ráhno l=3,2 m pro 2+1 návěstidlo |
№ 04 |
|
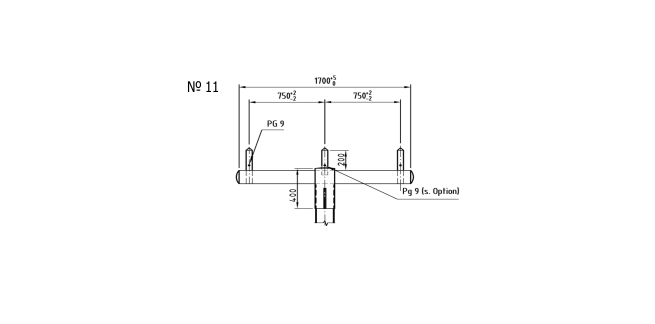
| ráhno l=1,7 m pro 2+1 návěstidlo |
№ 05 |
|
| ráhno l=4,7 m pro 4+1 návěstidlo |
№ 06 |
|
| ráhno l=4,2 m pro 5+1 návěstidlo |
№ 07 |
|
| ráhno l=1,7 m pro 2+1 návěstidlo |
№ 11 |
|
| ráhno l=1,2 m pro 2 návěstidla |
№ 13 |
|
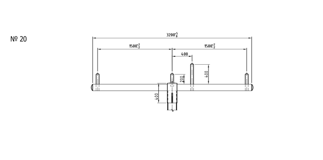
| ráhno l=3,2 m pro 3+1 návěstidla |
№ 20 |
|
| ráhno l=4,7 m pro 4 návěstidla |
№ 24 |
|
| ráhno l=1,7 m pro 2 návěstidla |
№ 26 |
|
| ráhno l=6,2 m pro 4+1 návěstidlo |
№ 29 |
|
№ 01 № 02 № 03 № 04 № 05 № 06 № 07 № 11 № 13 № 20 № 24 № 26 № 29 |
Vřetenový zvedací mechanismus
-

rychlá údržba pomocí sklopné základny
- podle výšky a hmotnosti připojených zařízení je možné sloup sklápět rukou, nebo pomocí speciálního vřetenového zvedacího mechanismu
- nízké náklady na instalaci a údržbu
- rychlá a pohodlná instalace, včetně kabelových rozvodů
- ovládání pouze jednou osobou
- nejsou zapotřebí žádné zvedací plošiny nebo jeřáby
Objednací kódy/použití
| Typ |
obj. kód |
| zvedák pro hmotnosti do 2,5 t (pro sloupy o výšce do 9,90 m) |
950-020 |
| zvedák pro hmotnosti do 5,0 t (pro sloupy nad 10,00 m výšky) |
950-021 |
Armatury - objednávací kódy/použití
| Typ |
obj. kód |
| armatura pro základnu 270×270 mm |
950-022 |
| armatura pro základnu 400×400 mm |
950-023 |
| armatura pro základnu 720×500 mm |
950-024 |