AMS MINI
Использование
- средний аэродром без категории и I-ой категории согласно ICAO
Файлы для загрузки
pdf
Лист данных
(1.52 MB)
pdf
Сертификат MAK
(1.19 MB)
pdf
Сертификат ССГА
(3.12 MB)
Описание/свойства
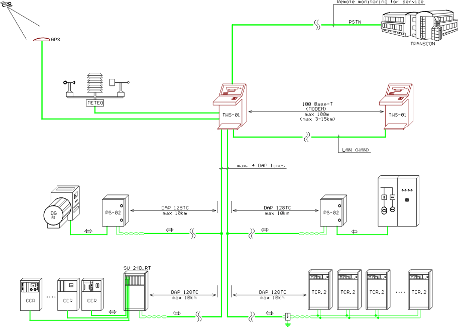
- наглядное управление при помощи кнопок на сенсорном экране (touchscreen), или при помощи шарового манипулятора (trackball)
- наглядное изображение данных в нескольких составах на одном мониторе
- две взаимно заменимые рабочие станции, где одна работает как ведущая рабочая станция, и второе только как рабочая станция
- коммуникация между постами при помощи сети LAN Ethernet (100 Base-T) на расстояние до 100 м, или при помощи модемов WAN на расстояние до 3-6 км (в зависимости от качества линии)
- телеуправление и мониторинг светосигнального оборудования в том числе регулирование с тремя или пятью уровнями яркости
- линия передачи данных для управления и мониторинга использует только одну пару проводников в кабеле связи
- управление и мониторинг на расстояние до 10 км
- удаленная поддержка сервисной службы "ТРАНСКОН"
Возможности системы
- AMS MINI содержит до 4 линий DAP 128 TC
- управление и мониторинг одной взлетно-посадочной полосы (RWY)
- управление и мониторинг систем приближения (ALS) и глиссадных огней (PAPI) из двух направлений
- управление и мониторинг максимально четырех рулежных дорожек (TWY)
- прямое подключение к регуляторам яркости TCR.2 (Transcon)
- подключение к регуляторам яркости других производителей при помощи шкафа SU 24B.RTS модулями ввода/вывода (I/O) RT-24
- мониторинг и управление самыми важными энергетическими системами при помощи блоков PS-02
- охрана объектов и противопожарная сигнализация
- подключение метеорологической системы и изображение её данных на мониторе
- автоматическая настройка яркости систем светосигнального оборудования в зависимости от дальности видимости на ВПП (RVR)
- синхронизация времени при помощи системы GPS
- звуковая сигнализация аварийных состояний
- речевой вывод на языке пользователя
- архивация рабочих и аварийных состояний
- в случае применения регуляторов яркости TCR.2 возможность долговременного наблюдения за изолирующим состоянием кабельных цепей при помощи наглядных диаграмм
- рабочее место самостоятельное или встроенное в стол TWS-01
